Чем отличается арматура А400 от А500
При возведении железобетонных конструкций в строительстве, арматура является одним из элементов, обеспечивающих прочность и долговечность сооружений.
При возведении железобетонных конструкций в строительстве, арматура является одним из элементов, обеспечивающих прочность и долговечность сооружений. Выбор правильного класса материала – задача, требующая понимания его характеристик и области применения.
Выделяют два распространенных класса арматуры – А400 и А500. Рассмотрим, чем отличается арматура а400 от а 500, и какая может использоваться для конкретных строительных задач.
Разница в применении
Сфера применение арматуры – это первое, в чем разница между арматурой а400 и а500. И это важно учитывать при выборе класса.
Отличие арматуры А400 от А500 заключается в механических свойствах. Это определяет их преимущественное использование в различных типах конструкций. Выбор между ними зависит от расчетных нагрузок, особенностей проекта и требуемых характеристик железобетонных элементов. Важно учитывать соответствие строения нормативным требованиям и ГОСТ.
Где чаще используется А400
Арматура класса А400, обладая низкой прочностью по сравнению с А500, используется в конструкциях, где не требуются высокие показатели прочности стали. К таким конструкциям можно отнести:
-
армирование фундаментов малоэтажных зданий, где нагрузки невелики;
-
создание арматурных каркасов для второстепенных бетонных элементов, таких как дорожки, площадки, отмостки;
-
изготовление арматурных сеток для кладки стен из кирпича или блоков.
А400 часто используют там, где важна хорошая свариваемость, например, при изготовлении сложных арматурных каркасов.
Где чаще применяется А500
Арматура класса А500, благодаря повышенной прочности, применяется в более ответственных и нагруженных конструкциях:
-
армирование фундаментов многоэтажных зданий, промышленных сооружений, мостов и других объектов, где требуется высокая несущая способность;
-
создание несущих элементов каркасов зданий: колонн, балок, перекрытий;
-
армирование железобетонных конструкций, подверженных динамическим нагрузкам, например, в сейсмоопасных районах.
А500 обеспечивает более надежное армирование и позволяет снизить расход стали благодаря своим высоким прочностным характеристикам.
Где помогут с выбором подходящей арматуры для вашего проекта
Определить, какая арматура лучше – А400 или А500 – может специалист профильного магазина с учетом возводимого объекта. Специалисты должны обладать квалификацией для подбора материала.
Так, консультанты компании Металл ДК обладают всеми знаниями для оказания помощи в выборе арматуры. Достаточно сообщить о своих планах, после чего специалисты помогут с выбором класса и диаметра арматуры, исходя из данных проекта, расчетных нагрузок и условий эксплуатации. Также в магазине представлен ассортимент металлопроката, включая арматуру А400 и А500 различных диаметров, трубы стальные электросварные круглого и квадратного сечения. На сайте вы найдете необходимые материалы для строительства: от арматурных стержней до фасонного профиля.
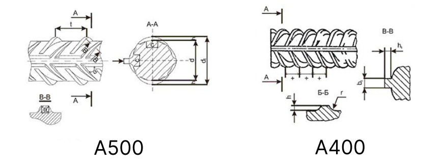
Отличия по внешнему виду
Отличия арматуры 400 и 500 по внешнему виду заключаются в рисунке рифления на поверхности прутков.
-
Арматура класса А400 имеет серповидные поперечные выступы (рифления), расположенные по винтовой линии. Угол наклона этих выступов к продольной оси стержня составляет примерно 45 градусов. При этом, по всей длине стержня располагаются два продольных ребра. Рисунок рифления А400 имеет ярко выраженный серповидный характер, что позволяет визуально отличать ее от других классов арматуры.
-
Арматура класса А500 имеет кольцевой профиль рифления. Это означает, что поперечные выступы (рифления) представляют собой кольцеобразные элементы, расположенные по винтовой линии. Угол наклона этих выступов к продольной оси стержня также составляет около 45 градусов. Продольные ребра на поверхности стержня А500, как правило, отсутствуют, хотя некоторые производители допускают их наличие.
Визуально А500 отличается от А400 именно кольцевой формой рифления и отсутствием ярко выраженных продольных ребер.
Различия по составу стали
Различия в составе стали – ключевой фактор, определяющий механические свойства арматуры.
-
Для производства арматуры А400 используют углеродистую сталь марок Ст3пс, Ст3сп или низколегированную сталь марки 35ГС. Эти стали обладают хорошей свариваемостью и пластичностью, но имеют более низкий предел текучести и прочность по сравнению с А500. Содержание углерода в стали А400 выше, что влияет на её свойства.
-
Арматура А500 изготавливается из низколегированной стали марок 25Г2С, 32Г2Рпс или аналогичных. В этих сталях содержание легирующих элементов (марганца, кремния, хрома) выше, что обеспечивает повышенную прочность и предел текучести. Благодаря этому арматура А500 способна выдерживать большие нагрузки и деформации.
Химический состав стали определяет ее механические свойства, такие как прочность на растяжение, предел текучести, относительное удлинение и стойкость к коррозии.
Разница в цене
Разница в цене между арматурой А400 и А500 является существенным фактором при выборе материала для строительства. Арматура А500 обычно стоит дороже, чем А400. Это связано со сложным процессом производства, использованием дорогих марок стали и повышенными требованиями к качеству и характеристикам.
Однако, благодаря повышенной прочности, для армирования конструкции может потребоваться меньшее количество арматуры А500. В конечном итоге это может привести к экономии средств.
Можно ли заменить арматуру А400 на А500
Замена арматуры А400 на А500 возможна, но требует обязательного перерасчета конструкции и согласования с проектировщиком. Необходимо учитывать следующие факторы.
-
Прочность стали. Арматура А500 имеет повышенный предел текучести и прочность на растяжение, что позволяет использовать меньший диаметр арматурных стержней.
-
Сцепление с бетоном. Рифление арматуры А500 обеспечивает лучшее сцепление с бетоном, что необходимо учитывать при расчете анкеровки арматурных стержней.
-
Свариваемость. Следует учитывать свариваемость стали при изготовлении арматурных каркасов. Рекомендуется использовать арматуру А500С, которая обладает улучшенной свариваемостью.
-
Нормативные требования. Замена арматуры должна соответствовать требованиям ГОСТ и СНиП.
Несанкционированная замена арматуры может привести к снижению несущей способности конструкции и аварийным ситуациям.
Сферы применения арматуры
Арматура является одним из материалов, используемых в строительстве. Её применение охватывает такие отрасли:
-
жилищное строительство: армирование фундаментов, стен, перекрытий многоэтажных и малоэтажных зданий;
-
промышленное строительство: возведение цехов, складов, ангаров, градирен и других промышленных сооружений;
-
транспортное строительство: строительство мостов, тоннелей, дорог, эстакад;
-
гидротехническое строительство: возведение плотин, дамб, каналов, причалов;
-
энергетическое строительство: строительство атомных электростанций, тепловых электростанций, гидроэлектростанций.
В каждой из этих сфер предъявляются свои требования к качеству и характеристикам арматуры, зависящие от условий эксплуатации и нагрузок.
Заключение: как выбрать подходящую арматуру с учётом задач и бюджета
Выбор подходящей арматуры – это важный этап при проектировании и строительстве любого объекта. Для принятия правильного решения необходимо учитывать следующие факторы.
-
Расчетные нагрузки. Определите максимальные нагрузки, которые будет испытывать конструкция.
-
Особенности конструкции. Учитывайте тип конструкции, её размеры и форму.
-
Условия эксплуатации. Примите во внимание климатические условия, влажность и другие факторы, влияющие на коррозию металла.
-
Бюджет. Сравните стоимость разных классов арматуры и оптимизируйте проект, чтобы уложиться в бюджет.
Имеет смысл проконсультироваться с опытными специалистами для получения помощи в выборе подходящего типа арматуры. Разница между арматурой А400 и А500 является существенной, и правильный выбор играет важную роль в обеспечении надежности и безопасности сооружения.
























